InSite | General Principles for Creating a Watertight Roof Terrace

Learn about our Early Engagement Consultancy

General Principles for Creating a Watertight Roof Terrace

Published date: 5 November 2024

Download the PDF version of this article

 

Applicable sections of the Technical Manual

 

Roof Terraces and Balconies – Roof Terraces

 

Upstands

 

Where the roof terrace abuts a wall, the waterproofing layer must extend 150mm up the wall to form an upstand. The waterproofing layer must be situated under a cavity tray to ensure the cavity fully drains with weep holes being provided in masonry walls at 900mm centres. The upstand height may be reduced to 75mm for level access threshold detailing as per the below guidance.  

 

The total roof terrace zone depth should be assessed at critical points, to ensure there is enough space to provide a 150mm upstand to provide waterproofing protection above finished roof level. It is important that this minimum 150mm upstand is maintained at all points around the waterproofed area.

 

Downstands (of separate metal or other flashings) should lap the upstand by a minimum of 75mm

 

 

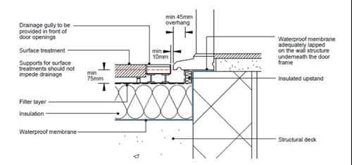
Level access threshold detailing

 

Where a door threshold is less than 150mm above the roof terrace drainage layer and there is a requirement for level access, the following provisions must be satisfied:

 

  • A minimum 75mm upstand must be maintained under the projecting sill. This should be measured from the roof terrace drainage layer
  • The projecting sill must overhang by at least 45mm with an incorporated drip which is a minimum 30mm away from the upstand. Sills must be adequately supported to ensure no damage to the sill over the long term

 

Level access threshold detailing for warm deck roof terrace

 

 

Level access threshold detailing for inverted warm deck roof terrace

 

 

Other considerations

 

  • Where the terrace forms part of the entire roof of an occupied building, a continuous barrier to air leakage should be maintained
  • Reliance on sealants as the sole means of protection from moisture ingress is not an acceptable approach
  • Minimum clearances are maintained to enable the waterproof membrane to be installed
  • Continuity of the membrane across the whole field area of the roof terrace. All Terminations of the waterproof membrane at interfaces to other elements are to consider potential expansion and contraction of the membrane used
  • Thermal bridging is avoided through provision of continuity of the thermal line or thermal breaks as appropriate to minimise heat loss and condensation risk

 

Outlets, overflows and splash barriers

Outlets

 

This guidance should be read in conjunction with guidance in the ‘Roofs – Flat Roofs’ section of our Technical Manual for falls, outlets and overflows.

 

Roof terraces must have at least one outlet and an overflow to drain and warn of outlet/downpipe blockage and so avoid the risk of flooding or structural overloading.

 

Decking and/or paving should not impede on the drainage of water to rainwater outlets. To ensure adequate drainage, the designer should ensure the following:

 

  • A 10mm gap between the façade and pedestrian surface is be provided to avoid run off water overly wetting the façade
  • As-built gaps between planks or slabs should be between 6 mm to 8 mm to achieve effective drainage
  • Spacers or supports to raise the decking and/or paving should not impede on the flow of rainwater to outlets

 

Overflows

 

The capacity of the overflow should be not less than that of the outlet or combined outlets, and its discharge should be visible but directed away from the building. Overflows should be conspicuously positioned for inspection and as close to the outlets as practicable to avoid rainwater build up on roofs.

 

The overflow level should be set at the design water level for the rainwater outlets, which in most instances is typically 30-35 mm above the outlet. Where there is a sump included at the rainwater outlet position, the overflow should be set at the level of the lip into that sump. The level of overflows should be 25 mm below the underside of the any sill positions e.g. thresholds.

 

Splash barrier

 

A 150mm splash barrier should be provided around the perimeter to ensure water does not reach any part of a wall.

 

An impervious wall finish or cladding may be used as a splash barrier. Alternatively, the waterproofing layer can be extended to form an upstand with cover flashing and a cavity tray. Impervious masonry units with porous bed joints are unsuitable within this zone.

 

Parapets and balustrade requirements

 

Parapets

 

Parapets are inherently a high risk form of construction due to the fact that they’re so exposed to the elements and because of the careful detailing required.

 

Where parapets are specified, they should incorporate at least 3 lines of defence to protect against water penetration. The 3 lines of defence include:

 

  • The coping/capping
  • Supported DPC under the coping/capping
  • A cavity tray

 

All parapets should be designed in line with the guidance provided in our ‘External Walls – Parapets’ section of our Technical Manual.

 

Balustrade fixings and maintaining the weatherproof envelope

Guard rails and balustrades should ideally be mounted to the sides of the parapets, either internally or externally via face fixings into the parapet wall and not through the coping. This should be the preferred method as it prevents creating weak spots for water ingress.

 

In addition, the following must be taken into account by the designer:

 

  • The copings weathered upper surface, projection and drainage function must be uninterrupted and unhindered by guarding provisions e.g. glazing channels which are recessed into and divide coping provisions should be avoided.
  • Where this cannot be avoided, and any guarding over a coping arrangement is in continuous contact, the free drainage of the coping should not be impeded. In such instances, coping arrangements must incorporate a fall away from the obstruction to any outside edge.
  • Where the guarding incorporates proprietary glazing and framing profiles, drainage provisions from glazing channels must be provided and kept free from obstruction. Particular attention should be paid to sealant pointing used where such profiles are in continuous contact with the upper surface of a coping system, as this area can often restrict drainage when incorrectly executed.
  • Where the guarding, over a coping arrangement, is in continuous contact with the coping fixings which penetrate the coping arrangement, the fixings must only pass through a self-sealing butyl tape. Reliance on silicone is not acceptable.
  • Guarding incorporating elements of glazing may need to be heat soak tested to BS EN 14179-1.

 

Where fixing of guard rails and/or balustrades through the waterproof membrane cannot be avoided, the fixings must be carefully specified to ensure they are robust and they do not comprise the waterproof membrane. Any penetrations through the waterproof membrane are to be sealed correctly in accordance with the product manufacturer’s recommendations.

 

Materials used in coastal locations (and other aggressive environments) must be suitable to resist corrosion.

 

 

Penetrations

 

Detailing for penetrations in the roof terrace must incorporate an upstand which is a minimum 150mm above the surface treatment. Downstands (of separate metal or other flashings) should lap the upstand by a minimum 75mm.

 

 

Notes:

 

  • A chamfered fillet is required at the base of the upstand for certain types of waterproof membrane. Roof membrane manufacturer specification should be followed
  • An effective seal is required between the air vapour control layer and pipe. It is often difficult to dress a sheet material around a pipe. Star cut approaches should be avoided where possible and a proprietary top hat products are often the most suitable. The method for doing so should be stated in the contract drawings and/or specification.
  • Penetrations should be grouped wherever possible

 

 

Flat roof interface to pitched roof

 

 


Read more articles on InSite and sign up to receive our blog round-up.

Every care was taken to ensure the information in this article was correct at the time of publication (September 2024). Guidance provided does not replace the reader’s professional judgement and any construction project should comply with the relevant Building Regulations or applicable technical standards. For the most up to date Premier Guarantee technical guidance please refer to your Risk Management Surveyor and the latest version of the Premier Guarantee Technical Manual.
Ref: KM-3735

 

 

Download our Technical Manual